Traffic Light System Diagrams Explained

M.Beartooth 143 views
Traffic Light System Diagrams Explained

Traffic Light System Diagrams Explained

Hey everyone! Ever wondered how those magical traffic lights know when to turn red, yellow, and green? It’s not magic, guys, it’s a clever system that uses diagrams to keep our roads flowing smoothly. Today, we’re diving deep into the world of traffic light system diagrams . We’ll break down what they are, why they’re super important, and how they work to prevent chaos on our streets. Think of this as your ultimate guide to understanding the brains behind the lights. We’ll cover everything from the basic components to more complex scenarios, making sure you’re a pro by the end of this read. So, buckle up, and let’s get this traffic party started!

Understanding the Basics of Traffic Light Diagrams

Alright, let’s kick things off with the fundamentals, shall we? A traffic light system diagram is essentially a blueprint for how traffic signals operate at an intersection. It’s like a recipe card for the traffic lights, detailing every single step and condition. These diagrams are crucial because they allow engineers and technicians to understand, install, build, and maintain these vital pieces of infrastructure. Without a clear diagram, managing traffic flow would be like trying to navigate a maze blindfolded – total mayhem! At its core, a traffic light system is designed to control the movement of vehicles and pedestrians at intersections, ensuring safety and efficiency. The diagram illustrates the sequence of signal indications (red, yellow, green) for each approach to the intersection. It shows which directions get a green light simultaneously, when pedestrians have the right of way, and the duration of each phase. This involves understanding different types of diagrams, like sequence diagrams , timing diagrams , and wiring diagrams , each serving a unique purpose in the grand scheme of things. We’ll delve into each of these as we go along. But for now, just remember that these diagrams are the unsung heroes of road safety, silently orchestrating the flow of traffic every single second of every single day. They are the visual language that engineers use to communicate complex operational logic. Think about a busy intersection with multiple lanes, turning lanes, and pedestrian crossings – coordinating all of that without a precise plan laid out in a diagram would be an impossible task. The diagram ensures that everyone gets a fair chance to move, minimizing conflicts and reducing the risk of accidents. It’s all about creating a predictable and safe environment for all road users, whether you’re in a car, on a bike, or walking.

Key Components Illustrated in Diagrams

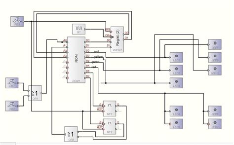
So, what exactly do we find in these traffic light system diagrams ? It’s more than just a few colored circles! We’re talking about a whole bunch of critical information that makes the system tick. First up, you’ll see the signal heads . These are the actual lights we see – the red, yellow, and green lights mounted on poles. The diagram will show their placement relative to the intersection and which lanes they control. Then there are the controllers . These are the brains of the operation, usually housed in a metal box nearby. The diagram will indicate the controller’s location and often show its connections to the signal heads and detection systems. Speaking of detection systems, these are super important! Diagrams will show loops embedded in the pavement , video cameras , or radar sensors . These detectors tell the controller when vehicles are present, which is key for efficient timing. We also see pedestrian push buttons – those little boxes you press to signal you want to cross. The diagram shows where these are located and how they integrate into the signal cycle. Furthermore, timing plans are a huge part of the diagram. This isn’t just about when a light changes, but how long it stays that way. Diagrams might show different timing plans for different times of day (like rush hour versus late at night) or for different traffic conditions. You’ll also find phase sequencing . This is the order in which different movements (like straight-through traffic on one road, or left turns on another) get their green light. The diagram visually represents this sequence, often using numbers or letters to denote different phases. Finally, for the tech-savvy folks, diagrams can also illustrate wiring and electrical connections , showing how power gets to the lights and how the controller communicates with everything. It’s a complex interplay of hardware and logic, all meticulously planned out on paper (or screen!). These components work in harmony, orchestrated by the logic embedded within the controller, which is all based on the information provided in the diagrams. It’s a fascinating blend of civil engineering, electrical engineering, and computer science.

Types of Traffic Light Diagrams

Alright, now that we’ve got a handle on the general idea, let’s dive into the different kinds of diagrams out there. It’s not a one-size-fits-all situation, guys. Different diagrams serve different purposes, and understanding these distinctions is key to appreciating the complexity of traffic control. The most common ones you’ll encounter are sequence diagrams , timing diagrams , and wiring diagrams . Let’s break ‘em down.

Sequence Diagrams: The Flowchart of Traffic

First up, we have sequence diagrams . Think of these as the storytellers of the traffic light world. Their main job is to show the order in which different traffic movements get their green light. They illustrate the